如何聪明地防止电源正负极接反?
硬件工程师的很多项目是在洞洞板上完成的,但有存在不小心将电源正负极接反的现象,导致很多电子元器件都烧毁,甚至整块板子都废掉,还得再焊接一块,不知道有什么好的办法可以解决?
首先粗心不可避免,虽说只是区分正负极两根线,一红一黑,可能接线一次,我们不会出错;接10次线也不会出错,但是1000次?10000呢?这时候就不好说了,由于我们的粗心,导致一些电子元器件和芯片烧坏,主要原因是电流过大使元器件被击穿,所以必须采取防止接反的措施。
一般常用的有以下几种方法:
01 二极管串联型防反接保护电路
在正电源输入端串联一个正向二极管,充分利用二极管正向导通、反向截止的特性。正常情况下,二级管导通,电路板工作。

当电源接反时,二极管截止,电源无法形成回路,电路板不工作,可以有效的防止电源接反的问题。

02 整流桥型防反接保护电路
使用整流桥将电源输入变为无极输入,无论电源正接还是反接,电路板一样正常工作。

以上使用二极管进行防反处理,若采用硅二极管具有0.6~0.8V左右的压降,锗二极管也有0.2~0.4V左右的压降,若觉得压降太大,可使用MOS管做防反处理,MOS管的压降非常小,可达几毫欧姆,压降几乎可忽略不计。
03 MOS管防反保护电路
MOS管因工艺提升,自身性质等因素,其导通内阻较小,很多都是毫欧级,甚至更小,这样对电路的压降,功耗造成的损失特别小,甚至可以忽略不计,所以选择MOS管对电路进行保护是比较推荐的方式。
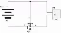
1) NMOS防护
如下图:上电瞬间,MOS管的寄生二极管导通,系统形成回路,源极S的电位大约为0.6V,而栅极G的电位为Vbat,MOS管的开启电压极为:Ugs = Vbat - Vs,栅极表现为高电平,NMOS的ds导通,寄生二极管被短路,系统通过NMOS的ds接入形成回路。

若电源接反,NMOS的导通电压为0,NMOS截止,寄生二极管反接,电路是断开的,从而形成保护。
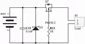
2)PMOS防护
如下图:上电瞬间,MOS管的寄生二极管导通,系统形成回路,源极S的电位大约为Vbat-0.6V,而栅极G的电位为0,MOS管的开启电压极为:Ugs = 0 -(Vbat-0.6),栅极表现为低电平,PMOS的ds导通,寄生二极管被短路,系统通过PMOS的ds接入形成回路。

若电源接反,NMOS的导通电压大于0,PMOS截止,寄生二极管反接,电路是断开的,从而形成保护。
注:NMOS管将ds串到负极,PMOS管ds串到正极,寄生二极管方向朝向正确连接的电流方向。
MOS管的D极和S极的接入:通常使用N沟道的MOS管时,一般是电流由D极进入而从S极流出,PMOS则S进D出,应用在这个电路中时则正好相反,通过寄生二极管的导通来满足MOS管导通的电压条件。
MOS管只要在G和S极之间建立一个合适的电压就会完全导通。导通之后D和S之间就像是一个开关闭合了,电流是从D到S或S到D都一样的电阻。
实际应用中,G极一般串接一个电阻,为了防止MOS管被击穿,也可以加上稳压二极管。并联在分压电阻上的电容,有一个软启动的作用。在电流开始流过的瞬间,电容充电,G极的电压逐步建立起来。

对于PMOS,相比NOMS导通需要Vgs大于阈值电压,由于其开启电压可以为0,DS之间的压差不大,比NMOS更具有优势。
04 保险丝防护
很多常见的电子产品,拆开之后都可以看到电源部分加了保险丝,在电源接反,电路中存在短路的时候由于大电流,进而将保险丝熔断,起到保护电路的作用,但这种方式修理更换比较麻烦。

微信小程序
浙公网安备 33010502006866号