为什么Y电容容量基本都不大于0.1uF?
Y电容是安规电容的一种,安规电容是指用于这样的场合:即电容器失效后,不会导致电击也不会不危及人身安全。也就是因为这样安规电容与其他普通的电容有着不一样的地方,普通的电容在电源断开之后很长一段时间还会保留一定残留电压,一旦手触碰到就会发生电击,而安规电容却不会。
Y电容大多数为蓝色,但是也有黄色的,由于是安全电容,因此Y电容上面一般都会标有相关的认证,例如CQC、VDE、UL等认证,如图1。

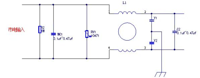
Y电容通常接于零线与地或者火线与地之间,如图2是I级EMI滤波电路,Y1和Y2是Y电容,通常两个串联一起。
根据耐高压分为Y1、Y2、Y4三个等级,其中:
Y1电容耐高压值>8 kV;
5 kV<Y2电容耐高压值<小于8 kV;
2.5 kV<Y4电容耐高压值<小于5 kV。

漏电流
对于开关电源,Y电容通常接于一次侧(初级)与二次侧(次级)之间,如图3,Y电容器可为一次侧耦合到二次侧的干扰电流提供回流路径。
那么,Y电容容量为什么不能太大呢?
我们知道Y电容对于EMC有很大的帮助,由于是共模电容,因此需要接地,那么就会有一个漏电流,还是以上面的EMI滤波电路为例:
Y电容漏电流 I=2πfCU
其中:
f 是市电频率,即50Hz;C为Y电容总容量4700pF+4700pF=9400pF;U对地端电压,这里取110V即可。
则可以计算得出漏电流有0.32mA之多。
并且会发现漏电流与容量成正比关系,也就是说容量越大漏电流也就越大。对于220V/50Hz交流电网供电的用电器,很多国家都规定漏电流不得大于1mA;对于手持式以及移动设备等其他用电产品对漏电流也有不同的要求。因此如果电源产品需要接Y电容,容量一般都不是很大,有时候甚至去掉Y电容,因此我们经常看到的Y电容容量基本上都是不大于0.1uF。


微信小程序
浙公网安备 33010502006866号