DC/DC转换电路设计的十大原则总结
一、DC/DC转换电路设计第一原则
首先,我们应该了解 DC/DC 电源和 DC/DC 转换电路的分类。
DC/DC电源电路也称为 DC/DC 转换电路,主要功能是进行输入/输出电压转换。
不同的应用领域有不同的规律,如PC,常用12V、5V、3.3v,模拟电路供电常用5V、15V,数字电路常用3.3v。目前的FPGA和DSP也使用 2V 以下的电压,如1.8v、1.5v、1.2v等,在通信系统中也称为二次电源。

DC/DC 转换电路主要分为以下三类:
(1) 稳压二极管稳压电路
(2) 线性(模拟)稳压 电路
(3) 开关式稳压 电路
二、DC/DC转换电路设计第二原则
齐纳二极管是最简单的设计方案。该稳压电路结构简单,但负载能力差,输出功率小。选择齐纳二极管时,可按如下估算:
(1) Uz=Vout;
(2) Izmax=(1.5-3)ILmax
(3)输入电压=(2-3)输出电压
该电路结构简单,可以抑制输入电压的扰动,但由于受稳压器最大工作电流、输出电压的限制,不能同时调节,因此该电路适用于不需要输出电压的场合待调整,负载电流小,要求不高。
齐纳二极管稳压器电路图
三、DC/DC转换电路设计第三原则
稳压电路的另一种形式 ,有些芯片对电源电压要求较高,如AD DA芯片的参考电压等,此时常用一些常用的电压参考芯片如TL431、MC1403、REF02等。
TL431是最常用的基准源芯片,具有良好热稳定性的三端可调分压源。它的输出电压可以通过两个电阻任意设置为 Vref(2.5v) 和 36V 之间的任何值。其他几种参考电压源芯片电路类似。

AD DA转换模块
四、DC/DC转换电路设计第四原则
串联稳压电源电路知识:串联稳压器是直流稳压器的一种,实际上是三端稳压器出现之前常见的直流供电方式。在三端稳压器出现之前,串联稳压器通常有OP放大器和稳压二极管组成检错电路。
五、DC/DC转换电路设计第五原则
线性(模拟)集成稳压电路的常用设计方案 。
线性稳压电路设计主要基于三端集成稳压器。三端稳压器主要有两种类型:
第一类输出电压是固定的,称为固定输出三端稳压器。三端稳压器常见的产品有78系列(正电源)和79系列(负电源)。输出电压在具体型号中用最后两位数字表示,分别为5V、6V、8V、9V、12V、15V、18V、24V等档次。输出电流以78(或79)后的字母区分,L表示0.1a,M表示0.5a,无字母表示1.5a。比如表78L05,5V就是0.1a。
另一种输出电压为可调线性稳压器,称为可调输出三端稳压器。这种芯片代表的是LM317(正输出)和LM337(负输出)系列。最大输入/输出限制差为40V,输出电压为1.2v-35v(-1.2v --35V),输出电流为0.5-1.5a,输出端与调节端之间的电压为1.25v,调节端静态电流为50uA。
这两种基本原理相同,都是采用串联稳压电路。在线性集成稳压器中,由于三端稳压器只有三个引出端,具有外围元器件少、使用方便、性能稳定、价格低廉等优点,因而得到广泛应用。

线性串联稳压器
六、DC/DC转换电路设计第六原则
DC/DC开关稳压电路设计方案。上述DC/DC变换电路均属于串联反馈稳压电路。
在这种工作方式下,集成稳压器中的稳压管工作在线性放大状态。因此,当负载电流较大时,损耗比较大,即转换效率不高。因此,采用集成稳压器的电源电路的功率不是很大,一般只有2-3w。这种设计方案只适用于小功率供电电路。
采用开关电源芯片设计的DC/DC转换电路,转换效率高,适用于较大的电源电路。目前已得到广泛应用,分为非隔离开关电源电路和隔离开关电源电路。当然,开关电源的基本拓扑有降压、升压、升降压和反激、正、桥变等。

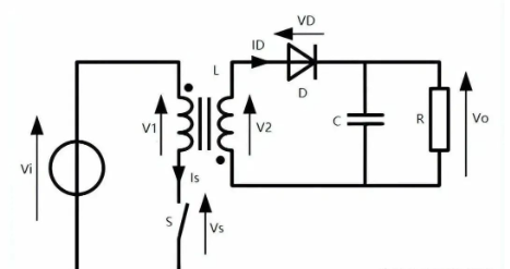
串联反馈稳压器
七、DC/DC转换电路设计第七原则
非隔离DC/DC开关及开关IC芯片设计方案。DC/DC开关集成电路芯片,这种芯片的使用方法在原理上与LM317类似。这里以L4960为例。
他们一般使用50Hz的电源变压器进行AC-AC变换,然后将下移~220V开关电源集成转换芯片,比如输入电压范围为1.2~34V,DC-DC经L4960变换,然后在范围以下输出电压可调至5V,增加至40V,最大输出电流2.5A(也可接大功率开关管扩流),并具有完善的保护功能,如过流保护、过热保护等。
虽然 L4960 的使用方法与LM317类似,但开关电源L4960的效率与线性电源LM317的效率不同。L4960最大输出功率可达100W(Pmax=40V*2.5A=100W),但最多只消耗7W,所以散热器体积小,制作容易。与L4960类似的还有L296,其基本参数与L4960相同,但最大输出电流可达4A,保护功能更多,封装形式不同。这种芯片比较多,比如LM2576系列、TPS54350、LTC3770等。一般厂家都会提供详细的使用说明和典型电路供使用这些芯片时参考。

开关稳压器
八、DC/DC转换电路设计第八原则
隔离式DC/DC开关电源模块电路设计方案,常用的隔离DC/DC变换主要分为三类:
1、反激变换

反激式转换器示意图
2、正向变换

正激变换器总图
3、单端反激式
我们常用的单端反激式DC/DC转换电路,这种隔离控制芯片型号也不少。控制芯片典型代表是UC3842系列。本控制器是一款高性能定频电流控制器,主要用于隔离AC/DC和DC/DC转换电路。
其主要应用原理是:电路由主电路、控制电路、启动电路和反馈电路组成。主电路采用单端反激式拓扑结构,由升压斩波电路和演化后的隔离变压器组成。该电路结构简单、效率高、输入电压范围宽。控制电路是整个开关电源的核心。
本电路采用峰值电流二环控制,即 在电压闭环控制系统中加入峰值电流反馈控制。这种方案中变压器和MOS管的功率可以很大。与以往的设计方案相比,电路结构复杂,元器件参数难以确定,开发成本较高。因此,当需要该方案时,可以优先选择市场上价格相对便宜的DC/DC隔离模块。
九、DC/DC转换电路设计第九原则
DC/DC开关一体化电源模块方案,许多微处理器和数字信号处理器 (DSP) 需要内核电源和输入/输出 (I/O) 电源,它们必须在启动时进行排序。
设计人员必须考虑内核和 I/O 电压源在上电和断电操作期间的相对电压和时序,以满足制造商的性能规范。如果没有正确的电源排序,可能会发生闭锁或过度电流消耗,这可能会导致微处理器、可编程逻辑设备 (PLD)、现场可编程门阵列 (FPGA) 或支持设备的 I/O 端口出现 I/O 端口或存储器,例如由于数据转换器被损坏。
为了确保在内核电压正确偏移之前不驱动 I/O 负载,需要内核电源和 I/O 电源跟踪。
现在有专业的电源模块公司定制一些特殊的开关电源模块,主要针对DC/DC电源模块,体积小,功率密度高,转换效率高,发热少,平均无故障工作时间长,可靠性好,除了常规的电性能指标外,成本更低,性能更高。
这些模块结合了实现插件解决方案所需的大部分或全部组件,最多可替换 40 个不同的组件。这简化了集成并加快了设计速度,同时减少了电路板空间的电源管理部分。除了常规的电性能指标外,成本更低,性能更高。

简化的 PAL 设备
最传统和常见的非隔离式 DC/DC 电源模块仍然是单列直插式 (SiP) 封装。这些开放框架解决方案确实在降低设计复杂性方面取得了进展。然而,最简单的方法是在印刷电路板上使用标准封装元件。
十、DC/DC转换电路设计第十原则
选择 DC/DC 电源转换方案的注意事项。这里需要注意三点:
1、稳压电路不能用于供电,只能给没有电源要求的芯片供电。
2、采用线性方式的线性稳压电路结构简单,但转换效率低,只能用于小功率稳压电源。
3、转换效率高的开关式稳压电路可以应用于大功率场合,但其局限是电路结构相对复杂(尤其是大功率电路),不利于小型化。
基于以上十项原则,我们在设计过程中就可以根据实际需要选择合适的设计方案。

微信小程序
浙公网安备 33010502006866号